Puma coolant pump vacant inlet/outlet - new location for Glind shower or similar?
		
		
				
					
					
				
				
		
			
				
					There is a blanked off port of the puma tdci coolant pump. 
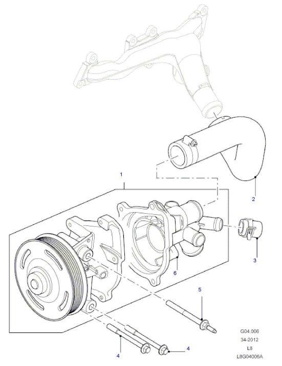
There's 5 (count 'em, FIVE) connection points for hoses on this thing. Only 4 ports are used for the coolant circuits, and the fifth is blanked off with a rubber cap and spring clamp. 
On top of that, the whole coolant system is bonkers- there'd have to be 50 individual hose joins on it. 
Blanked port is item 3 in this pic:

Interested to know, is this blanked off port on the suction side or the pressure side? 
Notwithstanding the variabilities of the coolant temps the pump sees... this might be a point for accessory cooling, another heat exchanger (think Glind shower, space heater for a camper etc)...
Has anyone had one apart to know whats going on here?
				
			 
			
		 
			
				
			
				
			
			
				-Mitch
'El Burro' 2012 Defender 90.
			
			
		 
	
Bookmarks