According to the parts manual it should be part no.250840 and should be 1 1/2" diameter.
See here also 250840 CORE PLUG 1.1/2 | shop | www.lrseries.com | L. R. Series
According to the parts manual it should be part no.250840 and should be 1 1/2" diameter.
See here also 250840 CORE PLUG 1.1/2 | shop | www.lrseries.com | L. R. Series
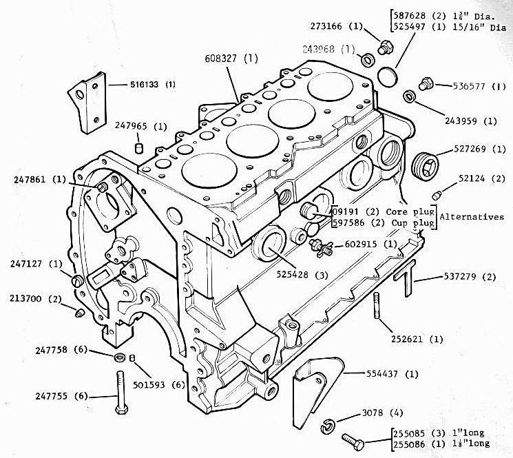
I found the diagram below on : Land Rover parts - WELSH PLUGS - 2.25 PETROL
which makes it even more confusing as it shows two plug options one at 1-3/4" and the other at 15/16"
But the part details show them at 1.7" (R587628) and 0.95" (R525497) respectively

Looks like 2 plugs at 1" 3/4, and then 1 plug at 15/16...............
Are there plugs under the flywheel housing?
OK, Just went and measured what is in my 63 2a and it is deffinately NOT 1 1/2" so the parts manual on the Series 2 CD I bought from Dave is bunkum!!!!
1 3/4" it is. just like the previous post suggests.
Just found a post, on another thread......
1 3/8" it is.
Welsh Plug Info
Check post#6 and #7.
Thanks Ron, and Uncle Ho.
Yeah thanks. I also happened to found out the same thing that it's a 1-3/8" when I rang www.fwd.com.au to see what they had.
And after a sweaty, cramped, fun job ... it's done.
Cutting a hole ended up being a pain. Wrecked two hole saws and ended up having to drilling holes around in a circle then filing it out to be a neat round hole. Even more fun getting out the old plug and then trying to get the new brass one in square.
To finish the job I moved the instruction plates over to the right a bit and put in a rubber plug.
Now I can keep an eye on it make sure it doesn't leak.
Nice job.
We get there in the end, hey?
| Search AULRO.com ONLY! | Search All the Web! | 
|---|
|  |  | 
Bookmarks