So what's your end goal? Additional cooling using the EGR cooler, OR adding an additional heat exchanger, or something completely different?
FYI the 2.2 has a blanked off bung in the back of the water pump. IIRC it's the suction side of the pump.
If you EGR is disabled, then you'd have the supply, and a available return port to allow additional cooling, as long as you work out the modulation of this heat exchanger.
I've thought of using the blank return port for some kind of on board water heater. But it's a job that is on the back burner.
-Mitch
'El Burro' 2012 Defender 90.
I trust you've already consulted the FSM, particularly the flow diagram.
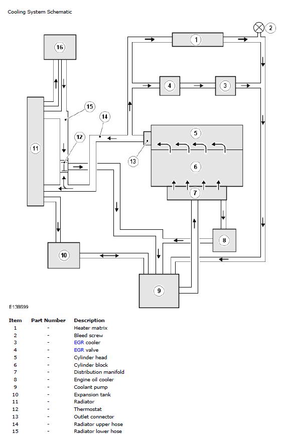
(#16 is the fuel cooler, FYI- this info was on another page of the manual).
I'm no expert, so will throw some questions out there as food for though / primers.
Not sure how a lack of coolant would affect the EGR valve and EGR cooler, if at all. But begs the question, if your EGR system is not operational, then does it matter if it were to not have coolant flow? Also 'what role does coolant have in the lifespan / failure mode of these parts?'.
So we have 2 extremes- a part that might be around EGT's (500C?), OR at coolant temp - circa 90 degrees C. It's a big difference.
Considering a failure, best case - nothing happens- with EGR disabled, a static exposure to exhaust gas at the cooler and EGR valve just heat the part up with no damage. EGR cooler and EGR valve would approach EGT's.
Worse case, the EGR cooler matrix disintegrates as a result of excess heat, fails, and dumps water into the exhaust or worse, into the intake manifold if the EGR opens.
If it were me, and I were really chasing the gains, I'd remove the whole lot - coolant lines, EGR cooler and EGR valve. Something doesn't sit right with a part like that exposed to hot exhaust without a method to cool it down- especially so given what a failure might cause (total engine destruction).
If you were to put a heater tap in the circuit upstream of the EGR valve and cooler (items 4 and 3), could there be issues with the pump having additional suction on the return side (keeping in mind the heater matrix is not always supplied with hot coolant)? Not sure if this would lead to cavitation of the pump- which you'd want to avoid where possible....
If you really want extra cooling some extra options might be:
1) plumb in an additional radiator (think like a heater core size unit- under car with electric fan, or up front somewhere)
2) Turn your heater on in the cab- as much as it sucks, it's essentially 'emergency cooling reserve'.
-Mitch
'El Burro' 2012 Defender 90.
I want to simplify things and free up space under the bonnet so some pieces of hardware may be going. There definately wont be any auxiliary radiators going in.
I simply want to make sure all of the coolant is flowing through the radiator at wide open thermostat.
| Search AULRO.com ONLY! | Search All the Web! | 
|---|
|  |  | 
Bookmarks