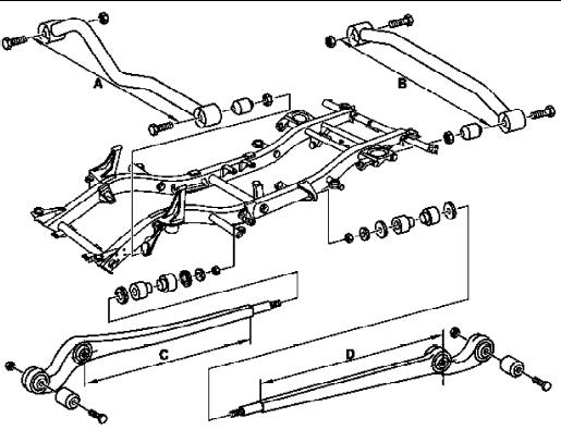
Thanks Disco and Don for the pics again. It is as I suspected, the radius arms on both rear axles scribe opposite arcs during axle articulation, which would place the universal joints of the short rear propshaft in a bind if articulation wasn't as severely restricted as it indeed is. Not really accepted engineering practice for tandem drive cross country bogie suspension, so that's it I'm not buying one
Bill.


 
						
					 
					
					

 
				 
				
				
				
					 Reply With Quote
  Reply With Quote
 
						
					 Originally Posted by wagoo
 Originally Posted by wagoo
					
 
						
					


 
						
					
Bookmarks